Description
Pull cord switch matsushima dapat menghentikan belt conveyor di posisi apapun karena switch ini dibuat sedemikian rupa sehingga dipasang di sisi belt conveyor dan kabel tarik ( pull cord ) dipasang di sepanjang conveyor. Berfungsi untuk melindungi pekerja dari kecelakaan, asalkan switch pull cord dipasang ke belt conveyor sesuai dengan peraturan keselamatan dan kesehatan industri.
Feature
- Sakelar ukuran besar memiliki tegangan dan daya tahan kabel yang besar
- Tipe operasi dua arah, bisa diterapkan dari kedua arah
- Disediakan dua kontak untuk berhenti dan alarm
- Jenis dengan pelat penunjuk operasi tersedia
- Tipe tahan api dan dust-ignition tersedia

Specification
| Tipe | Lihat produk dihalaman berikutnya | |
| Lampiran | Tipe ELAW | Tahan Cuaca, IP67 |
| Tipe ELAM | Tahan Api, d2G4 | |
| Tipe ELADP | Dust-Ignition Proof, SDP13 | |
| Kontak | 2C | |
| Kapasitas | 15A-125, 250VAC, 1/2A-125VDC | |
| Torsi Operasi | 49±9.8N (5±1kgf) | |
| Lead Outlet | Tipe ELAW | Cable size ø6?ø12 |
| Tipe ELAM | G3/4 | |
| Tipe ELADP | G3/4 | |
| Suhu | Tipe ELAW | -20ºC?+60ºC |
| Tipe ELAM | -10ºC?+40ºC | |
| Tipe ELADP | -10ºC?+40ºC | |
| warna lapisan | Munsell 7.5GY 6/10 | |
| Indicating Plate Munsell 5R 4/13 | ||
Action of Switch
Pull cord Swtich Action of switch
| Tipe | Tindakan Beralih | Keterangan |
| ELAW-21 |
| tuas tipe self-reset diatur ulang ke posisi awal saat kabel tarik dilepaskan (*1) tingkat ELAW-21 bergerak ke 75º |
| ELAM-21W | ||
| ELADP-21W | ||
| ELAW-31 | untuk tipe reset manual, tuas dikunci pada 30º kemiringan dan direset dengan mengoperasikan tuas penyetelan ulang atau pelat penunjuk | |
| ELAM-31W | ||
| ELADP-32W | ||
| ELAW-61P | tuas tipe ELAW – 61P dikunci pada 30º miring dan diatur ulang dengan mengatur ulang tuas | |
| ELAM-61PW | ||
| ELADP-62PW |
Appreance & Dimension
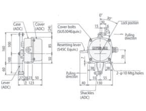
ELAW-21 : Tahan Cuaca; IP67; 1,7 Kg; Tipe Self Reset

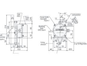
ELAW-31 : Tahan Cuaca; IP67; 1,8 Kg; Reset Manual

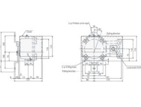
ELAW-61P : Tahan Cuaca dengan Plat Indicator; IP67; 2 Kg; Reset Manual

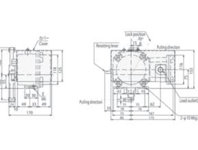
ELAM-21W : Tahan Api; d2G4; 12 Kg; Self-Reset


ELAM-31W : Tahan Api; d2G4; 12 Kg; Reset Manual

ELAM-61PW : Tahan Api; d2G4; 12 Kg; Reset Manual


Visit Wiratama for more info
Read More Articles:
- Mechatronics Tilt Angle Sensor Eurosens Degree
- Kaidi Customized Belt Sway Switch
- Matsushima Emergency Stop Switch “PULLSTOP” Wire-Rope Type
- D4E-@N Omron Oil Resistant Limit Switches
- Matsushima Conveyor Pull Cord Switch





