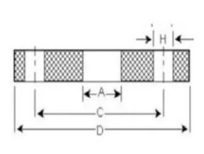
Dimensi Flange ANSI#150
Flange ansi#150 mempunyai ukuran meliputi jumalah lubang dan diameter flange serta PCD dari lubang baut.

Tabel Flange ANSI#150
| Normal Diameter of Pipe | Dimension of Flange | Bolt | |||
A | C | D | H | No. | |
mm | lnch | ||||
15 | 1/2″ | 60.5 | 88.9 | 15.7 | 4 |
20 | 3/4″ | 69.9 | 98.6 | 15.7 | 4 |
25 | 1″ | 79.2 | 108 | 15.7 | 4 |
32 | 1-1/4″ | 88.9 | 117.3 | 15.7 | 4 |
40 | 1-1/2″ | 98.6 | 127 | 15.7 | 4 |
50 | 2″ | 120.7 | 152.4 | 19.1 | 4 |
65 | 2-1/2″ | 139.7 | 177.8 | 19.1 | 4 |
80 | 3″ | 152.4 | 190.5 | 19.1 | 4 |
100 | 4″ | 190.5 | 228.6 | 19.1 | 8 |
125 | 5″ | 215.9 | 254 | 22.4 | 8 |
150 | 6″ | 241.3 | 279.4 | 22.4 | 8 |
200 | 8″ | 298.5 | 342.9 | 22.4 | 8 |
250 | 10″ | 362 | 406.4 | 25.4 | 12 |
300 | 12″ | 431.8 | 482.6 | 25.4 | 12 |
350 | 14″ | 476.3 | 533.4 | 28.4 | 12 |
400 | 16″ | 593.8 | 596.9 | 28.4 | 16 |
450 | 18″ | 577.9 | 635 | 31.8 | 16 |
500 | 20″ | 635 | 698.5 | 31.8 | 20 |
600 | 24″ | 749.3 | 812.8 | 35.1 | 20 |
Dimensi Flange ANSI#300
Flange ansi#150 mempunyai ukuran meliputi jumalah lubang dan diameter flange serta PCD dari lubang baut.

Tabel Flange ANSI#300
| Normal Diameter of Pipe | Dimension of Flange | Bolt | |||
15 | 1/2″ | 66.5 | 95.3 | 15.7 | 4 |
20 | 3/4″ | 82.6 | 117.3 | 19.1 | 4 |
25 | 1″ | 88.9 | 124 | 19.1 | 4 |
32 | 1-1/4″ | 98.5 | 133.3 | 19.1 | 4 |
40 | 1-1/2″ | 114.3 | 155.4 | 22.4 | 4 |
50 | 2″ | 127 | 165.1 | 19.1 | 8 |
65 | 2-1/2″ | 149.3 | 190.5 | 22.4 | 8 |
80 | 3″ | 186.1 | 209.6 | 22.4 | 8 |
100 | 4″ | 200.2 | 254 | 22.4 | 8 |
125 | 5″ | 235 | 279.4 | 22.4 | 8 |
150 | 6″ | 269.7 | 317.5 | 22.4 | 12 |
200 | 8″ | 330.2 | 381 | 25.4 | 12 |
250 | 10″ | 387.3 | 444.5 | 28.4 | 16 |
300 | 12″ | 450.9 | 520.7 | 31.8 | 16 |
350 | 14″ | 514.4 | 584.2 | 31.8 | 20 |
400 | 16″ | 571.5 | 647.7 | 35.1 | 20 |
450 | 18″ | 628.6 | 711.2 | 35.1 | 24 |
500 | 20″ | 685.7 | 774.7 | 35.1 | 24 |
600 | 24″ | 812.8 | 914.4 | 41.1 | 24 |
Dimensi Flange JIS 7.5K
Flange JIS 7.5K mempunyai ukuran meliputi jumalah lubang dan diameter flange serta PCD dari lubang baut.

Tabel Flange JIS 7.5K
| Normal Diameter of Pipe | Dimension of Flange | Bolt | |||
15 | 1/2″ | ||||
20 | 3/4″ | ||||
25 | 1″ | ||||
32 | 1-1/4″ | ||||
40 | 1-1/2″ | ||||
50 | 2″ | 140 | 184 | 18 | 4 |
65 | 2-1/2″ | 155 | 193 | 18 | 4 |
80 | 3″ | 168 | 211 | 19 | 4 |
100 | 4″ | 195 | 238 | 19 | 4 |
125 | 5″ | 220 | 263 | 19 | 6 |
150 | 6″ | 247 | 290 | 19 | 6 |
200 | 8″ | 299 | 342 | 19 | 8 |
250 | 10″ | 360 | 410 | 23 | 8 |
300 | 12″ | 414 | 464 | 23 | 10 |
350 | 14″ | 472 | 530 | 25 | 10 |
400 | 16″ | 524 | 582 | 25 | 12 |
450 | 18″ | 585 | 652 | 27 | 12 |
500 | 20″ | 639 | 706 | 27 | 12 |
600 | 24″ | 730 | 795 | 33 | 24 |
Dimensi Flange JIS 10K
Flange JIS 10K mempunyai ukuran meliputi jumalah lubang dan diameter flange serta PCD dari lubang baut.

Tabel Flange JIS 10K
| Normal Diameter of Pipe | Dimension of Flange | Bolt | |||
10 | 3/8″ | 65 | 90 | 15 | 4 |
15 | 1/2″ | 70 | 95 | 15 | 4 |
20 | 3/4″ | 75 | 100 | 15 | 4 |
25 | 1″ | 90 | 125 | 19 | 4 |
32 | 1-1/4″ | 100 | 135 | 19 | 4 |
40 | 1-1/2″ | 105 | 140 | 19 | 4 |
50 | 2″ | 120 | 155 | 19 | 4 |
65 | 2-1/2″ | 140 | 175 | 19 | 4 |
80 | 3″ | 150 | 185 | 19 | 8 |
90 | 3-1/2″ | 160 | 195 | 19 | 8 |
100 | 4″ | 175 | 210 | 19 | 8 |
125 | 5″ | 210 | 250 | 23 | 8 |
150 | 6″ | 240 | 280 | 23 | 8 |
175 | 7″ | 265 | 305 | 23 | 12 |
200 | 8″ | 290 | 330 | 23 | 12 |
225 | 9″ | 310 | 350 | 23 | 12 |
250 | 10″ | 355 | 400 | 25 | 12 |
300 | 12″ | 400 | 445 | 25 | 16 |
350 | 14″ | 445 | 490 | 25 | 16 |
400 | 16″ | 510 | 560 | 27 | 16 |
450 | 18″ | 565 | 620 | 27 | 20 |
500 | 20″ | 620 | 675 | 27 | 20 |
550 | 22″ | 680 | 745 | 33 | 20 |
600 | 24″ | 730 | 765 | 33 | 24 |
More article:
- Water Quality Monitoring
- Dropsa Ultrasensor 2 Proximity and microswitch systems
- Ciglow – Flameless lighters specialize
- Digital Flow Switch for Water Size 3/4?
- Aplikasi Coriolis Mass Flow Meter




