Overview
EGE IGM 30120 offers special inductive proximity switches for special applications. The focus is on tropical with a temperature range up to +120 °C.
- Tropical Sensor
- Metal face sensors.
- Climatic-proofed 120 °C
- Series IGM – Proximity switches
- M18 Stainless steel sleeve
- DC 10 – 30 V
- IP 68 Water-proofed
Specification
| Design | DC PNP • M18x1 |
| Dimension |
|
| Jankauan operasi sn | 5 mm flush |
| 120°C-Operating point | 1.15 sn |
| Switching output | PNP normaly open and normaly close, short circuit proof |
| Supply voltage | 10 … 30 V DC |
| Switching current | 80 mA |
| Current Consumption | max. 7 mA |
| Residual current | max. 1 ?A |
| Voltage drop | approx. 2 V |
| Ambient temperature | – 25 … +120 °C |
| Temperature limit | +130 °C |
| Switching frequency | 100 Hz |
| Protection ( EN 60529 ) | IP 68 |
| Housing material | 1.4571 / PTFE |
| Pressure strength | 30 bar |
| Connection | 10 m FEP- cable, 4 x 0. 25 mm2 |
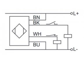
| Connection diagram | ![]() |
Visit Wiratama for more info
Read More Articles:
- Omron M30 E2B Proximity Sensor
- Omron M18 E2B Proximity Sensor
- Deep Sea Electronics DSEE400
- Omron E2EY Alumunium Detecting Proximity Sensor
- Nivelco Microwave Radar Level Measurement






