General The common rail system, as the name suggests, is a system that is common for every cylinder or unit of the marine engine. Marine engines of the early times had a fuel system, wherein each unit had its own jerk pump and the oil pressure was supplied through the jerk pumps. However, in the […]
Description The mega marine engines of ships burn tonnes of fuel every day to propel massively loaded ships. These engines are know to use low-grade fuel oil to lower ship operating costs as the cost of fuel represents as much as 30-50% of the total operating costs of a ship. Unfortunately (or fortunately), it’s not […]
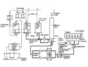
Marine fuels used in ships are considered of the lowest grade as far as the quality is concerned. Massive engines of the ships consume thousands of liters of fuel each day. Because of such an enormous requirement of fuel, ships are forced to use low-grade fuel oil, which is comparatively much cheaper. Fuel cost is […]


