Description HELS Expansion Joint
HELS Expansion Joint tipe Peredam getaran (vibration absorbers) Metallic bellows dipasang di depan dan di belakang peralatan yang bergetar seperti pompa kompresor tangki bertekanan dan menyerap getaran dan kebisingan yang membuat sistem aman. Di bagian bawah dari HELS Expansion Joint tipe Peredam getaran dibuat dalam stainless steel khusus yang dirancang untuk menyerap getaran. Bellows diproduksi dengan lapisan ganda dan diterapkan melalui uji khusus.
Jika suhunya rendah dan media alirannya air, sambungan karet ekspansi harus digunakan. Namun jika persyaratan sistem adalah aliran yang berbeda,suhu dan pressure yang tinggi maka HELS Expansion Joint tipe Peredam getaran Metallic bellows inilah yang harus digunakan. Ini terdiri dari tie rod.

Spesifikasi
| Koneksi | Flange Mengambang, Butt-weld | |
| Struktur | Menurut Standar EJMA | |
| Kondisi Kerja | Menurut standar DIN 2401 | |
| Bahan | Bellows dan layners | stainless steel |
| bagian koneksi | stainless atau baja karbon | |
| Dimungkinkan juga untuk memproduksi dalam bahan yang berbeda untuk kebutuhan yang berbeda. | ||
| Diameter Nominal | DN25 (1 ’) – DN1200 (48’) | |
| Tekanan Kerja | Peredam getaran diproduksi untuk kelas tekanan pn16 dan mungkin desain khusus untuk kebutuhan tekanan yang lebih tinggi. Tekanan kerja tergantung pada ukuran nominal dan suhu kerja. | |
| Suhu Kerja | -80 / + 427 ºC (opsional; -80 / + 1100 ºC) | |
| Aplikasi | Sistem Hvac, Sistem Pipa Kompresor Udara, Pompa, Pipa Udara Panas, Pabrik Kimia, Aplikasi Kelautan, Pabrik Industri | |

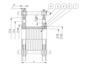
| No. | Jumlah | Part | Material |
| 1 | 2 | bellows | AISI 304 |
| 2 | 2 | flange | st. 37.2 |
| 3 | 3 | ear | st. 37.2 |
| 4 | 12 | nut | st. 37.2 |
| 5 | 3 | tiang | st. 37.2 |

| HLS -30 LRTY | |||||||||
| Size | ?d | ?k | ?d4 | f | b | ?dxn | ?di | ?do | L |
| DN 25 | 115 | 85 | 68 | 2 | 16 | ?14×4 | 38 | 48 | 110 |
| DN 32 | 140 | 100 | 78 | 2 | 16 | ?18X4 | 42,4 | 55 | 115 |
| DN 40 | 150 | 110 | 88 | 3 | 16 | ?18X4 | 48,3 | 61 | 120 |
| DN 50 | 165 | 125 | 102 | 3 | 18 | ?18X4 | 60,3 | 76 | 110 |
| DN 65 | 185 | 145 | 122 | 3 | 18 | ?18X4 | 76,1 | 95 | 110 |
| DN 80 | 200 | 160 | 138 | 3 | 20 | ?18X4 | 88,9 | 111 | 110 |
| DN 100 | 220 | 180 | 158 | 3 | 20 | ?18X4 | 114 | 140 | 115 |
| DN 125 | 250 | 210 | 188 | 3 | 22 | ?18X4 | 140 | 164 | 130 |
| DN 150 | 285 | 240 | 212 | 3 | 22 | ?23X8 | 168 | 200 | 145 |
| DN 200 | 340 | 295 | 268 | 3 | 24 | ?23X12 | 219 | 250 | 140 |
| DN 250 | 405 | 355 | 320 | 3 | 26 | ?27X12 | 273 | 323 | 150 |
| DN 300 | 460 | 410 | 378 | 4 | 28 | ?27X12 | 380 | 380 | 160 |
Visit Wiratama-ma for more info
Baca Artikel Lainnya :
- Helical Gear Reducer Hansen M4 ACC
- Sumitomo Cyclo Gearmotor with Torque Limiter
- SEISA GC Coupling Sumitomo Drive Technologies
- Rotary Joint Systems
- Kunkle Valve, Safety and Relief Valves




