Description
Speed ?? Relay adalah sensor gerak tipe mekanis untuk memantau kecepatan operasi konveyor sabuk, derek, penghancur, dll., dan beroperasi ketika kecepatan poros mesin menjadi kecepatan pengaturan. Karena sakelar mikro dalam relay kecepatan dihidupkan atau dimatikan secara mekanis oleh torsi induksi yang dihasilkan oleh putaran magnet permanen, catu daya tidak diperlukan. Selain itu, perawatannya juga mudah.
Matsushima magnetic speed relay adalah sensor gerak tipe magnetik yang dirancang khusus untuk mendeteksi kecepatan poros berputar dalam permesinan. Jika kelebihan beban menyebabkan kecepatan poros menurun secara tidak normal, atau meningkat secara berbahaya Matsushima magnetic speed relay kan segera mengeluarkan sinyal alarm untuk mencegah masalah.
- Tidak diperlukan power supply
- Tidak diperlukan perawatan
- Daya tahan terjamin dengan struktur yang kaku

Struktur Operasi
- Relai kecepatan terdiri dari magnet permanen yang berputar bersama dengan poros, rotor menghasilkan torsi yang sebanding dengan kecepatan rotasi poros, dua sakelar mikro yang akan digerakkan tergantung pada arah putaran, dan mekanisme penyesuaian kecepatan putaran yang digerakkan.
- Rotor logam dengan mudah memungkinkan penetrasi garis gaya magnet, dan dipasang dengan dua dukungan rotor yang memungkinkannya beroperasi dengan lancar. Tingkat operasi kontak yang dipasang di bawah dukungan rotor didukung secara terpusat (seperti yang ditunjukkan) dengan pengaturan pegas untuk mencegah rotor berjalan idle.
- Ketika magnet permanen berputar, arus induksi sebanding dengan kecepatan putaran mengalir dalam konduktor sangkar-tupai yang telah dimasukkan di dalam rotor. Arus ini diinduksi dalam prinsip yang sama dengan motor sangkar-tupai, sehingga torsi dengan arah yang sama dengan magnet permanen diproduksi di rotor
- Semakin tinggi kecepatan poros, semakin besar torsi. Rotor beroperasi di luar kekuatan pegas pengaturan, dan mengganti kontak microswitch.
- Ketika kecepatan rotasi poros berkurang, pegas pengaturan mendorong tuas operasi kontak kembali ke posisi tengah untuk mengatur ulang sakelar. Dengan kata lain, kecepatan rotasi yang digerakkan akan bervariasi tergantung pada kekuatan pegas pengaturan

Standart Specification
| Contact capacity | 5A 250V AV |
| 0.5A 125V DC | |
| Ambient temperature | -10ºC ? +50ºC |
| Kelas Perlindungan | IP55(Flange type IP40 |
| Coating color | Munsell 7.5GY 6/10 |
| Tolerance | +/-10% |
| Shaft | New JIS key |
Necessary Specifications
- Type
- Rated Speed: rpm or m/min
- Actuating Speed
Actuation at speed up: rpm or m/min
Actuation at speed down: rpm or m/min - Contact type:
NC contact (zero speed: ON)
NO contact (zero speed: OFF)
ESRW Series – Touch Roller Version
Panjang Belt yang Berlaku
| Belt width (mm) | ESRW-102 | ESRW-122 | ESRW-302 | ESRW-322 |
| 600 | YA | YA | YA | – |
| 750 | YA | YA | YA | – |
| 900 | YA | YA | YA | – |
| 1050 | – | YA | YA | – |
| 1200 | – | YA | YA | YA |
| 1400 | – | YA | YA | YA |
| 1600 | – | YA | YA | YA |
| 1800 | – | – | – | YA |
| 2000 | – | – | – | YA |
| 2200 | – | – | – | YA |
Kecepatan Belt yang Berlaku
| Speed (mm) | ESRW-102 | ESRW-122 | ESRW-302 | ESRW-322 |
| 35 … 53 | YA | – | YA | – |
| 53 … 300 | YA | YA | YA | YA |

ESRK 100 – Flage Version with shaft end key / Mass: 7.o kg

| Max. Allowable speed | 1800 rpm | |
| Speed up | Min. Rate Speed | 60 rpm |
| Min. Actuating speed | 78 rpm | |
| Speed down | Min. Rate Speed | 86 rpm |
| Min. Actuating speed | 60 rpm | |
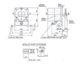
ESRK 100 – Flange Version with shaft end key /Mass: 7.o kg

ESRB 100 – Base Version with shaft end key /Mass: 7.o kg

| Max. Allowable speed | 1800 rpm | |
| Speed up | Min. Rate Speed | 60 rpm |
| Min. Actuating speed | 78 rpm | |
| Speed down | Min. Rate Speed | 86 rpm |
| Min. Actuating speed | 60 rpm | |

ESRL 100 – Low-speed Version with shaft end key /Mass: 9.5 kg

| Max. Allowable speed | 100 rpm | |
| Speed up | Min. Rate Speed | 10 rpm |
| Min. Actuating speed | 13.5 rpm | |
| Speed down | Min. Rate Speed | 14.3 rpm |
| Min. Actuating speed | 10 rpm | |

ESRDP Series – Dust-ignition Version SDP 13 Touch Roller / Mass : 9.5 kg

| Type | ESRDP-103 | ESRDP-123 | |
| ESRDP-303 | ESRDP-323 | ||
| Max. Allowable speed | 300m/min | 300m/min | |
| Speed down | Min. Rate Speed | 35m/min | 53m/min |
| Min. Actuating speed | 24m/min | 37m/min | |

ESRDP 200B – Dust-ignition Version SDP 13 with shaft end key/ Mass: 7.5 kg

| Max. Allowable speed | 1800 rpm | |
| Speed up | Min. Rate Speed | 60 rpm |
| Min. Actuating speed | 78 rpm | |
| Speed down | Min. Rate Speed | 86 rpm |
| Min. Actuating speed | 60 rpm | |

ESRM 100B – Explosion-proof Version d2G4 Base with shaft end key

| Max. Allowable speed | 1800 rpm | |
| Speed up | Min. Rate Speed | 60 rpm |
| Min. Actuating speed | 78 rpm | |
| Speed down | Min. Rate Speed | 86 rpm |
| Min. Actuating speed | 60 rpm | |

Read More Articles:
- Kaidi SUS 316 Stainless Steel Robust Conveyor Pull Rope Switch
- Matsushima Position Encoder Transmitter
- Kaidi Customized Belt Sway Switch
- Hengstler Time Counter Tico 773
- Matsushima Conveyor Pull Cord Switch




