Description
Fuji FST is an in-line ultrasonic flowmeter with three parallel measuring paths. With the latest digital signal processing technology and the calculation algorithm, it can deliver highly precise flow measurement. RS-485 communication is also available as an option.
Baca juga: WUF 100 CF Flowmasonic Clamp On Ultrasonic Flow Meter
Features
- Highly accuracy: ±0.2% of the rate
- Using the new algorithm for calculating the flow velocity, it can measure any type of fluid with high accuracy.
- Low maintenance
- With no moving part, it has long-term stability while requiring only minimal maintenance work.
- Bubble resistant
- By using the advanced anti-bubble measurement technology, the interface from air bubbles is greatly eliminated.
- For any liquid from -40°C to +150° C
- Non-conductive fluid including oil, mixed liquid, purified, water can be measured.
- Easy-to-operate
- Backlit LCD and front keys
- Troubleshooter provided
- Can be vertically or horizontally installed
Specifications
| Measuring Principle | Transit time difference method | ||||
| Parallel 3-path with the advanced ABM (anti-bubble measurement) system | |||||
| Accuracy | 0.2% of rate ( Flow velocity 1 m/s to 10 m/s | ||||
| 0.002% m/s (flow velocity 0.5 m/s to 1 m/s) | |||||
| Diameter (mm) | 25 (under development), 50, 80, 100 | ||||
| Flow Velocity Range | Minimum: 0 to 0.3 m/s or -0,3 to 0 m/s | ||||
| Maximum: 0 to 10 m/s or -10 to 0 m/s | |||||
| Flow Range | Diameter (mm) | 25 | 50 | 80 | 100 |
| Minimum (m³/h) | 0 t0 0.54 | 0 to 2.13 | 0 to 4.65 | 0 to 7.99 | |
| Maximum (m³/h) | 0 to 17.6 | 1 to 70.6 | 0 to 154.8 | 0 to 266.0 | |
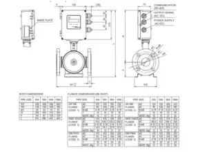
| Dimension and Weight | Refer to the outline diagram | ||||
| Power Supply | 100-240V AC (+10% – 15%), 50/60 Hz or 20-30V DC | ||||
| Power Consumption | Approx. 20 VA ( AC Power) | ||||
| Approx. 6 W (DC Power) | |||||
| Enclosure | IP66 | ||||
| Ambient temperature | -40º C to +60º C | ||||
| Liquid Temperature | -40ºC to +150º C | ||||
| Bubble Content | ?12 vol % | ||||
Outline Diagram (Unit=mm)

Reference : https://www.fujielectric.com/
Read More Articel :
- Kelco Engineering F29 MK3 Programmable Flow Switch
- Kelco Engineering C15 Series Flow Switch
- Kelco Engineering F29 MK3 Programmable Flow Switch
- Kelco Engineering TWM Trailing Wire Flow Switch
- Kelco Engineering Q Series Float Switch




