The PE102 magmeter is designed for low-flow chemical injection or difficult-to-meter applications with pulsating metering pumps in 3/4” to 1/4” pipe/tube. The housing is made of sturdy splashproof HDPE plastic.
With no moving parts, the PE102 can handle fluids containing particulate matter without clogging or jamming, keeping maintenance at a minimum. With no metallic parts (100% PVDF body and PVDF carbon fiber-filled electrodes), the flow meter is corrosion-resistant and compatible with a wide range of chemicals. Accuracy is maintained with conductive fluids (>20 micro siemens) of varying viscosities and densities.
Features
- No moving parts
- Requires no straight pipe
- Pulse and/or 4-20 mA output
- Chemical and corrosion-resistant
- Insensitive to fluid density and fluid viscosity changes
Applications
- Chemical injection
- Corrosive materials
- Low flow applications
- Pulsating flows (e.g., metering pump)
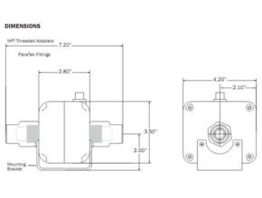
The PE flow meter is compact enough to fit most pump/injection systems. With zero straight pipes required after an elbow, it can be easily mounted in tight spaces. The mounting bracket adds stability.

The PE flow meter has optocoupled current sinking or current sourcing pulse output that can be connected to the Seametrics FT420 rate/total display or FT520 batch processor, as well as a 4-20 mA loop for powering analog devices. Outputs and power are provided through a cable with an 8-pin female circular connector.


Read Another Article :
- Flowma Flowmasonic WUF 620 CF Clamp On Ultrasonic Flow Meter
- Cara Instalasi Flow Meter Ultrasonic Clamp-on Flowmasonic WUF 500
- Flow meter Air Jenis Ultrasonic clamp on Flowmasonic WUF 500
- Water flow sensor jenis clamp on ultrasonic flow meter
- Flowma Flowmasonic WUF 620 J Portable Ultrasonic Flow Meter
- Flow meter ultrasonic clamp on untuk pipa HDPE
- Flow Meter Ultrasonic Jenis Clamp On Untuk Pipa PVC
- Flow Meter Ultrasonic Clamp on untuk Proses Destilasi Air Laut
- Flow Meter Ultrasonic Portable untuk Mengecek Sistem Pendingin Mesin
- Jarak panjang Pipa pemasangan transducer ultrasonic
- Flow meter ultrasonic yang digunakan untuk sistem pemadam kebakaran




