Description Hengstler AD 36 Absolute Motor Encorder
Hengstler AD 36 Absolute Motor Encorder adalah encoder absolut optik dengan multi-turn gear dan pemindaian optik, ukuran 36 mm. Sebagai satu-satunya model di kelasnya, ia menawarkan poros berlubang 8 mm, yang memungkinkan pemasangan yang kompatibel dengan resolver.
Konsep mekanis didasarkan pada rakitan poros yang dipasang pada dual bantalan bola dengan dukungan torsi yang fleksibel. Encorder AD36 cocok untuk dipasang di motor servo BLDC dengan ketinggian bingkai kecil. Antarmuka komunikasi BiSS atau SSI memungkinkan sirkuit kontrol diatur yang sepenuhnya digital. Ini tersedia dengan resolusi hingga 19 bit single-turn dan 12 bit multi-turn.
- Untuk motor servo brushless
- Ukuran resolver 15 kompatibel
- Melalui poros berongga 8 mm
- 19 Bit Singleturn + 12 Bit Multiturn
- + 120 ° C suhu operasi
- Pengoperasian kontinu 10.000 rpmn
- Optical encoder dengan true geared multiturn
- Interface: SSI, BiSS-B, BiSS-CnSinewave 1 Vppn Bandwidth 500 k
Technical Data
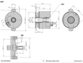
| Housing diameter | 37.5 mm |
| Shaft diameter | 8 mm (Through hollow shaft) |
| 8 mm (Hubshaft) | |
| Flange (Mounting of housing) | Tether |
| Protection class shaft input (EN 60529) | IP40 |
| Protection class housing (EN 60529) | IP40 |
| Axial endplay of the mounting shaft (hub shaft) | ± 0.5 mm |
| Radial runout of a mating shaft (hub shaft) | ± 0.05 mm |
| Max. speed | max. 10 000 rpm (continuous), max. 12 000 rpm (short term) |
| Starting torque type. | ? 1 Name |
| Moment of inertia | ca. 2.5 x 10 -6 kgm² |
| Vibration resistance (DIN EN 60068-2-6) | 100 m/s² (10 … 2000 Hz) |
| Shock resistance (DIN EN 60068-2-27) | 1000 m/s² (6 ms) |
| Operating temperature | -40 °C … +120 °C |
| Storage temperature* | -15 °C … +85 °C |
| Weight | approx. 80 g (ST) / 130 g (MT) |
| Connection | Connection Cable, radial |
| PCB connector, 12 pole |
Technical Data Electrical
| Supply voltage | DC 5 V -5 %/+10 % or DC 7 – 30 V |
| Current w/o load typ. | 100 mA (ST), 150 mA (MT) |
| Resolution single turn | 12 – 19 Bit (BiSS) |
| 12 – 17 Bit (SSI) | |
| Resolution multiturn | 12 Bit |
| Output code | Gray |
| Drives | Clock and Data / RS422 |
| Incremental signals | Sinus-Cosinus 1 Vpp |
| Number of pulses | 2048 |
| 3dB limiting frequency | 500 kHz |
| Absolute accuracy | ±35″ |
| Alarm output | Alarm bit (SSI Option), warning and alarm bit (BiSS) |
Dimension

Read More Articles:




