Description of Incremental Encoder IV2800 SIKO
Incremental Encoder IV2800 SIKO an optical miniature rotary encoder, max. 1024 pulses/revolution
Future IV2800:
- Small design, Ø 28 mm
- Resolutions of max. 1024 pulses/revolution
- Robust bearing construction
- Short circuit-proof outputs
Mechanical data
| Feature | Technical data | Additional information |
| Shaft | stainless steel | |
| Housing | aluminum | |
| Speed | ?12000 rpm | |
| Moment of inertia | ~0.1 x 10-6 kgm2 | |
| Starting torque | <0.01 Nm at 20 °C | |
| Shaft load rating | 10 N | radial |
| 20 N | axial | |
| Cable sheath | PVC | ?ø4.5 mm |
| Cable bending radius | 25 mm | static |
| 75 mm | dynamic | |
| Weight | ~0.06 kg |
Electrical data
| Feature | Technical data | Additional information |
| Operating voltage | 8 … 30 V DC | reverse polarity protected |
| Current consumption | typical 50 mA | (no load) |
| Output signal level high | ?UB – 3.0 V | short-circuit-proof |
| Output signal level low | ?0.5 V | short-circuit-proof |
| Pulse frequency | ?160 kHz | |
| Load | ±50 mA | max. adm. |
| Type of connection | open cable end |
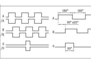
Signal Pattern

Ambient conditions
| Feature | Technical data | Additional information |
| Ambient temperature | -20 … 85 °C | |
| EMC | EN 61000-6-2 | interference resistance / immission |
| EN 61000-6-3 | emitted interference / emission | |
| Protection category | IP65 (housing side) | EN 60529 |
| IP64 (shaft side) | EN 60529 | |
| Shock resistance | 1000 m/s2, 6 ms | EN 60068-2-27 |
| Vibration resistance | 100 m/s2, 10 … 2000 Hz | EN 60068-2-6 |
Technical Drawing

Read More Articles:
- Leine Linde 1000 Extreme Encoder
- IH5815 Siko Incremental encoder
- Baumer POG 10 Incremental encoders
- Matsushima Position Encoder Transmitter
- Tachogenerators TDP 0,2, TDPZ 0,2 Baumer




