SC Hydraulic Engineering L7 High Flow Liquid Pump is a leading manufacturer and designer of an ever growing line of high pressure, air-driven liquid pumps, as well as air and gas boosters which are being used in a variety of industries and applications. Growing since 1953, we offer liquid pressures as high as 65,000 psig and can exceed 17,000 psig in gas pressures.
General Product Information
- HIGH FLOW CAPACITY
- DOUBLE ACTING, DOUBLE AIR MOTOR
- COMPATIBLE WITH MOST FLUIDS
- STAINLESS STEEL WETTED PARTS
- AIR OPERATED – NO ELECTRICITY NEEDED
- PRESSURE UP TO 21,500 PSI
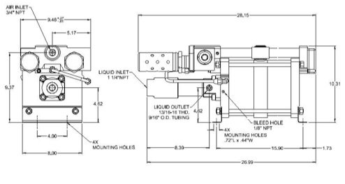
The SC L7 Series Pump has a 7″ diameter air drive section and stainless steel wetted parts in the hydraulic section. This double acting pump is equipped with a double air motor drive section that roughly doubles the liquid outlet pressure compared to an equivalent single air motor design. It is capable of hydraulic pressures up to 21,500-psi at 100-psi drive air pressure.
This pump is ideal for high flow at relatively high pressure applications. Nominal outlet flow ranges between 0.5-gpm to 2-gpm depending on outlet pressure. Maximum air consumption is approximately 225-SCFM at free flow (zero output pressure).
It is designed to operate with air drive pressures between 15-psi and 100-psi under normal conditions. Typical applications include choke control operation, hydrostatic pressure testing and press applications.
L7 High Flow Liquid Pump Application
- Hydrostatic pressure testing
- High flow power units
- Blowout preventer (BOP) systems
- Sub-sea valve controls
- Choke control operations
- Bolt tensioing
Dimensions

| Dash | Actual | Max Pressure | Displacement | NPT/LF4 (Std) | SAE/LF4 (Optional) | C | D | L | |||
| Number | Ratio | psig @125 Pa (1) | Per Cycle | A Thread | B Thread | A Thread | B Thread | B Thread | |||
| Cu. In. | |||||||||||
| -15 | 20 | 2,25 | 0.27 | 3/8″ | 1/4″ | -8 SAE | -6 SAE | 7/16-20 * | 1.5 | 2.43 | 8.02 |
| -25 | 31 | 3,5 | 0.18 | 3/8″ | 1/4″ | -8 SAE | -6 SAE | 7/16-20 * | 1.5 | 2.43 | 8.02 |
| -35 | 40 | 4,375 | 0.14 | 3/8″ | 1/4″ | -8 SAE | -6 SAE | 7/16-20 * | 1.5 | 2.43 | 8.02 |
| -45 | 55 | 6,125 | 0.1 | 3/8″ | 1/4″ | -8 SAE | -6 SAE | 7/16-20 * | 1.5 | 2.43 | 8.02 |
| -65 | 79 | 8,875 | 0.069 | 1/4″ | 1/4″ | -6 SAE | -6 SAE | 7/16-20 * | 1 | 1.93 | 7.52 |
| -105 | 123 | 14 | 0.044 | 1/4″ | 1/4″ | -6 SAE | -6 SAE | 7/16-20 * | 1 | 1.93 | 7.52 |
| -125 | 138 | 15,6 | 0.044 | 1/4″ | 7/16-20 * | -6 SAE | – | – | 1 | 1.93 | 7.52 |
| -195 | 213 | 24,375 | 0.038 | 3/8″ | 9/16-18 | – | – | – | 2.24 | 2.71 | 8.75 |
Ordering

| TABLE 1 | Gas Booster Series (1) |
| GB | Single Stage |
| TABLE 2 | Modification |
| Blank | No Modification |
| M402 | Remote Pilot |
| 3 | EPR O-rings, Polyurethane Main Seal |
| TABLE 3 | Cylinder Modification |
| Blank | Single Head |
| TABLE 4 | Pressure Ratio Single or First Stage |
| 5 | GB |
| 15 | GB |
| 30 | GB |
| 75 | GB |
| TABLE 5 | Pressure Ratio Second Stage |
| Blank | N/A on GB Series |
| TABLE 6 | Service Option |
| Blank | Standard |
| 2 | Oxygen Service (2) |
| H2 | Hydrogen Service (2) |
| Notes : | (1) Do not fill gap on a two digit description |
| (2) Not available on GBD-D75, GBT-D15/75 and GBT-D30/75 models. Contact factory for more information. |
Performance Chart

Modification
| Remote Pilot: This option provides a 1/8″ NPT female port for remotely controlling the start/stop of the pump by connecting an external air signal to actuate the air cycling valve. This modification is built in as standard and no special number is needed when ordering. | ![]() |
| M014 – Counter Port: This option provides a 5/8-18-UNF thread port on the air motor section of the pump for installing a mechanical cycle counter. | |
Read more :
- SC Hydraulic Engineering 10-4 Liquid Pump
- Cylinder Tube
- Hard Chrome Rod
- Tie Rod Style Hydraulic Cylinders
- Types of Hydraulic




